Насадка на кронштейн поворотная в 3D "MIMOMOUNT-2GR-114114" серая, для обжатых кронштейнов 32мм
В наличии 100шт + доступно к заказу. Любое количество за 5 дней
НАЗНАЧЕНИЕ
- Поворачивается в любом направлении в обоих плоскостях.
- Применяется для установки антенн мобильного интернета сгибкой настройкой поляризации: вертикальной, горизонтальной, под 45 градусов и под любым другим углом.
- Применяется для комфортной водозащиты кабелей при установке антенн мобильного интернета.
- Подходит для антенного кронштейна на конёк крыши с артикулом:"MIMOMOUNT-500GR-105610"
- Может устанавливаться на настенный кронштейн, артикул: "HIWOLL-SPIN-112621"
- Цельносваренный, поворачивается в круговом направлении на 360 градусов.
- Фиксируется болтом М8.
- Адаптирован для внутренней прокладки кабелей.
- На одной стороне вварена гайка в отверстие и вкручен болт М8 для фиксации элементов.
- С другой стороны установлена пластиковая заглушка.
- Кронштейн позволяет прочно закрепить 4G интернет или телевизионную антенну на конёк крыши.
- Появляется возможно красиво установить антенну для мобильного интернета, добиться высоких скоростей и длительного срока службы.
- Улучшается дизайн конструкции, так как провода проходят внутри кронштейна.
- Используется для установки телевизионных антенн, работающих вместе с цифровыми приставками DVB-T2 либо с телевизорам разнообразных моделей, антенн для беспроводного интернета 3G, 4G, WI-FI, антенн для радиостанций различных диапазонов.
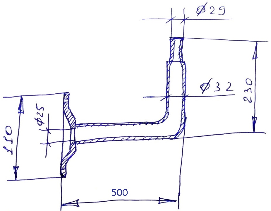
- Высота составляет 23см.
- Ширина 40см.
- Изготавливается из стальных труб диаметром 32мм.
- Изготовлен с использованием надёжной стальной трубы производства России.
- Покрыт качественной полимерной краской для защиты изделия от внешних воздействий.
ТЕХНИЧЕСКИЕ ХАРАКТЕРИСТИКИ
- Высота кронштейна - 0,23м
- Ширина кронштейна - 0,4м
- Диаметр трубы - 32мм
- Масса кронштейна - 0,6кг
- Материал - сталь
- Цвет - серый
РАЗМЕРЫ УПАКОВКИ
- Длина упаковки - 0,25м
- Ширина упаковки - 0,45м
- Высота упаковки - 0,05м
- Масса упаковки - 0,9кг
КОМПЛЕКТАЦИЯ
- Кронштейн из двух частей - 1шт
- Болт М8 - 2шт
Подходит для установки на конковый кронштейн "MIMOMOUNT-500" :
На настенный кронштейн с отверстием 25мм в основании для кабеля "ARMADOO-300"
или "ARMADOO-500"
Для наращивания прямых участков применяется элемент "ХОМУТТО-32B",
с одной стороны он обжат, а с друхой имеет вваренную гайку и болт М8х30 для соединения деталей.
Для влагозащищенного ввода двух кабелей используется кроншейн "ADELA-2",
с одной стороны он обжат, а с друхой имеет вваренную гайку и болт М8х30 для соединения деталей.
Для дополнительного крепления длинных конструкций используются кронштейны "ХОМУТТО-BK" для крепления к стене с выносом


.jpg)




.jpg)